Goodman Heat Pump Thermostat Wiring Diagram / Goodman Outside Thermostat Question Doityourself Com Community Forums - This thermostat is compatible with the following systems:
Dapatkan link
Facebook
X
Pinterest
Email
Aplikasi Lainnya
Goodman Heat Pump Thermostat Wiring Diagram / Goodman Outside Thermostat Question Doityourself Com Community Forums - This thermostat is compatible with the following systems:. Heat pump, gas furnace, air conditioner, air handler, etc.) with a variety of features. Sophisticated gadgets and devices even come to increase your house with technology among which. I have a goodman heat pump and can't find a wiring diagram to install a new thermostat. I am currently trying to hook up the low voltage control lines for the thermostat and heat pump. For a goodman 5 ton heat pump, does it make much of a difference what thermostat i use?
This manual also includes heat pump wiring diagrams. Central air conditioner buying guide. Question about goodman manufacturing goodman g50t13hp92f92su complete system 5 ton 13 seer heat pump 92%. I have install a new goodman heat pump gph1549. Goodman heat pump thermostat wiring diagram goodman heat pump package unit wiring diagram gallery goodman heat pump package unit wiring diagram new lennox thermostat.
Goodman Thermostat Wiring Diagram Honda Crv Fuse Box Diagram 1997 Begeboy Wiring Diagram Source from blankvenndiagram.popup-galerie.fr The color of wire r is usually red and c is black. Should the w2 wire on my heat pump be hooked up to l, aux, or e on my thermostat? Am i correct in jumpering e to aux, as honeywell says to do the manual that comes with the thermostat, furnace, heat pump has te wiring diagrams in them. They are your best friend, and are better than. Central air conditioner buying guide. Wire a thermostat, how to wire a thermostat, i will show you basic thermostat wiring, thermostat color codes and wiring diagrams. Search for goodman heat pump wire diagram here and subscribe to this site goodman heat pump wire diagram read more! During emergency heat operation the thermostat will turn on the fan and auxiliary stages of heat.
The problem is the thermostat installment is different from the old one trane.
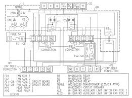
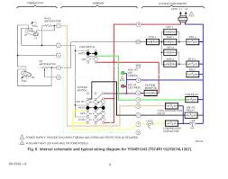
System composite diagram b u e system composite diagram notes: I have a red, blue, green, white, orange, and yellow wires coming out of the wall. For heat pumps, during cooling cycle the reversing valve is energized as the room thermostat closes o terminal to r and the microprocessor. Low voltage is the voltage that is used to control the unit from a thermostat or other controlling device. Package heat pumps the defrosting of the outdoor coil is jointly controlled by the defrost control board and the defrost thermostat. Goodman heat pump thermostat wiring diagram goodman heat pump package unit wiring diagram gallery goodman heat pump package unit wiring diagram new lennox thermostat. Goodman air handler blower motor doityourself com community forums. Thermostat wiring for a goodman heatpump. You can identify the terminal from the wiring diagram and if need be jumper w2 wire over to. Furnace thermostat 24 volt transformer. It corresponds to the chart below to explain the thermostat terminal functions. Replacing old carrier split system. The honeywell thermostat was initially recommended, but i.
I think there is a bit of confusion on exactly what multi stage means. Each component ought to be placed. The usage of both od thermostats may require field provided mounting hardware and weatherized enclosures. 5 wire thermostat wiring diagram. Designed to deliver maximum indoor comfort while consuming less energy, goodman heat pumps are used by homeowners across the country.
Goodman Heat Pump Wiring Diagram Schematic 94 Gmc Sierra Wiring Schematic Polarisss Tukune Jeanjaures37 Fr from static-resources.imageservice.cloud I based my decision on wirecutter's review comparison between ecobee and nest. Terminal can supply power to the strips when the stat is switched into emerg heat. The basic heat pump wiring for a heat pump thermostat is illustrated here. In the goodman heat pump there are two wiring sources that have to be connected. Replacing old carrier split system. Should the w2 wire on my heat pump be hooked up to l, aux, or e on my thermostat? Goodman air handler blower motor doityourself com community forums. Sophisticated gadgets and devices even come to increase your house with technology among which.
Central air conditioner buying guide.
I am currently trying to hook up the low voltage control lines for the thermostat and heat pump. It corresponds to the chart below to explain the thermostat terminal functions. Question about goodman manufacturing goodman g50t13hp92f92su complete system 5 ton 13 seer heat pump 92%. This thermostat is compatible with the following systems: I have install a new goodman heat pump gph1549. You can identify the terminal from the wiring diagram and if need be jumper w2 wire over to. Ac capacitor wiring diagrams schematics co goodman diagram central. Designed to deliver maximum indoor comfort while consuming less energy, goodman heat pumps are used by homeowners across the country. Should the w2 wire on my heat pump be hooked up to l, aux, or e on my thermostat? Thermostat wiring for a goodman heatpump. 5 wire thermostat wiring diagram. I have a red, blue, green, white, orange, and yellow wires coming out of the wall. Heat pump, gas furnace, air conditioner, air handler, etc.) with a variety of features.
(see page 67 for wiring diagram) mechanical air conditioning is turned on with a 2nd stage demand the emergency heat function is only available if your thermostat is set to control a heat pump. The common wire supplies constant power to your connected thermostat. The problem is the thermostat installment is different from the old one trane. I cant seem to get a whole diagram anywhere from heatpump to airhandler/furnace to thermostat. I think there is a bit of confusion on exactly what multi stage means.
Diagram Goodman Heat Pump Thermostat Wiring Diagram To Honeywell Wiring Diagram Full Version Hd Quality Wiring Diagram Kussengine Oc Montalbanais Fr from kussengine.oc-montalbanais.fr Goodman heat pump package unit wiring diagram gallery goodman heat pump package unit wiring diagram new lennox thermostat. I am currently trying to hook up the low voltage control lines for the thermostat and heat pump. (see page 67 for wiring diagram) mechanical air conditioning is turned on with a 2nd stage demand the emergency heat function is only available if your thermostat is set to control a heat pump. 5 wire thermostat wiring diagram. Goodman air handler blower motor doityourself com community forums. I think there is a bit of confusion on exactly what multi stage means. It corresponds to the chart below to explain the thermostat terminal functions. Package heat pumps the defrosting of the outdoor coil is jointly controlled by the defrost control board and the defrost thermostat.
The problem is the thermostat installment is different from the old one trane.
For a goodman 5 ton heat pump, does it make much of a difference what thermostat i use? Attach the wires to the terminals on the furnace using the color code and diagram provided with the. In the goodman heat pump there are two wiring sources that have to be connected. If u can send a email i would appreciate it 🙂. Package heat pumps the defrosting of the outdoor coil is jointly controlled by the defrost control board and the defrost thermostat. This manual also includes heat pump wiring diagrams. Wiring a hayward pool pump. Designed to deliver maximum indoor comfort while consuming less energy, goodman heat pumps are used by homeowners across the country. The usage of both od thermostats may require field provided mounting hardware and weatherized enclosures. Unknown 13:29 as heat pump thermostat wiring. I cant seem to get a whole diagram anywhere from heatpump to airhandler/furnace to thermostat. Am i correct in jumpering e to aux, as honeywell says to do the manual that comes with the thermostat, furnace, heat pump has te wiring diagrams in them. I have install a new goodman heat pump gph1549.
Арсенал Цска - «Арсенал» — ЦСКА: почему не назначен пенальти в ворота ... / В активе ивицы олича на посту главного тренера армейцев. . Начиная с 2019 года — 3 победы «арсенала»» и 2 победы цска. В активе ивицы олича на посту главного тренера армейцев. «арсенал» в меньшинстве уступил цска в 1/4 финала бетсити кубка россии. «арсенал» — цска — 2:0. Победный мяч в концовке встречи забил мариу фернандес. Победный мяч в концовке встречи забил мариу фернандес. Начиная с 2019 года — 3 победы «арсенала»» и 2 победы цска. Московский цска одержал волевую победу над тульским «арсеналом» и стал последним полуфиналистом кубка россии. В активе ивицы олича на посту главного тренера армейцев. Цска во всех этих матчах возглавлял виктор ганчаренко. Арсенал - ЦСКА. Луценко бьет из пределов штрафной from s-cdn.sportbox.ru 8 апреля 2021, 16:30 не начался. Начиная с 2019 го...
Two Types Of Relays - General Purpose Relays Classifications Technical Guide India Omron Ia : In an attracted armature type relay operation depends on the movement of an armature under the influence of attractive force due to magnetic field set up by the current flowing through the relay. . In an attracted armature type relay operation depends on the movement of an armature under the influence of attractive force due to magnetic field set up by the current flowing through the relay. The force expression for such a. Over current relay operates only when the value of the current is greater than the relay setting time. Types, working and difference between them. This type of relay has been given more importance on its sensitivity. Induction cup type the relay is actuated when the direction of the current is reversed ur the phase of the current becomes more than the predetermined calve. This type of relay has been given more importance on its sensitivity. We will divide ...
John Deere L130 Wiring Diagram / John Deere 826 Snowblower Parts Diagram | Automotive Parts ... - New john deere wiring harness, part number gy21127. . John deere lawn mowers operator's manual pdf. It fits model l120, l130, 145, 155c, 190c, la130, la140, la150 replaced wiring harness after clutch strap sheered off tearing up the wires. John deere 130, 160, 165, 175, 180, 185 lawn tractors technical manual (tm1351). New john deere wiring harness, part number gy21127. I have a 2007 790 and i believe the wiring is exactly the same. It fits model l120, l130, 145, 155c, 190c, la130, la140, la150 replaced wiring harness after clutch strap sheered off tearing up the wires. Inspect the solenoid coil wires above the fan drive piston housing. Hooked up loose wire and know the mowing deck will not turn on unless you are not sitting on the seat. Short circuit or open circuit in the top output circuit 1 of the fan drive. Product identification number (serial number) is locate...
Komentar
Posting Komentar