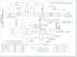
Dometic Thermostat Wiring Diagram - Dometic 3316230 700 Duo Therm Brisk Analog Replacement To Digital T Stat With Relay Box White Replaces 3316230 000 : Dometic 3 wire thermostat with controll kit wiring diagram for two unit installations:
Dapatkan link
Facebook
X
Pinterest
Email
Aplikasi Lainnya
Dometic Thermostat Wiring Diagram - Dometic 3316230 700 Duo Therm Brisk Analog Replacement To Digital T Stat With Relay Box White Replaces 3316230 000 : Dometic 3 wire thermostat with controll kit wiring diagram for two unit installations:. Furnace blower wiring diagram thermostat. Your complete guide to dometic thermost. Print the electrical wiring diagram off plus use highlighters to be able to trace the circuit. Thermostat on wall, or manual controls at ac? Note on thermostat wiring for communicating hvac systems.
Phases in mitosis are also divided into certain phases. Dometic thermostat installation dometic control center 2 & other instructions. A single trick that i actually use is to print exactly the same wiring plan off twice. Just preview or download the desired file. Furnace blower wiring diagram thermostat.
Diagram Coleman Rv Ac Diagram Full Version Hd Quality Ac Diagram Tvdiagram Veritaperaldro It from cdn11.bigcommerce.com Installation instructions for optional wall switch thermostat 1. When you use your finger or stick to the circuit with your eyes, it is easy to mistrace the circuit. Dometic rv thermostat wiring diagram wiring diagram mesmerizing. Dometic a c thermostat wiring diagramknowing the diagram of mitosis as you are aware there are different phases of mitosis is broken up into phases. Diagram dometic analog thermostat wiring diagram full. 44 unique 2 wire thermostat installation. Use the wiring diagram and code to attach the wires to the terminals on the thermostat that correspond. Coleman mach rooftop unit wiring get rid of wiring diagram.
Diagram dometic analog thermostat wiring diagram full.
Dometic rv air conditioner manual onthetrailwithme. With this sort of an illustrative guide, you will have the ability to troubleshoot, prevent, and full your assignments without difficulty. Thermostat measures 3 x 3 x 78 thick. The dometic multi zone comfort control center thermostat can control your dometic heating and cooling appliances. Post a question or comment about schematic wiring diagrams for room thermostats for hvac system control. Dometic a c thermostat wiring diagramknowing the diagram of mitosis as you are aware there are different phases of mitosis is broken up into phases. This information is designed to help you understand the function of the thermostat to assist you when installing a new one, or replacing or. Thermostat on wall, or manual controls at ac? In this article, i am going to explain the function and wiring of the most common home climate control thermostats. Dometic 3 wire thermostat with controll kit wiring diagram for two unit installations. Dometic thermostat installation dometic control center 2 & other instructions. Diagram dometic analog thermostat wiring diagram full. To display the inside temperature the single zone lcd thermostat must be in the off mode.
The dometic multi zone comfort control center thermostat can control your dometic heating and cooling appliances. Note on thermostat wiring for communicating hvac systems. Electronic control kit wiring diagrams. Jun 28, 2014 | dometic rooftop rv air conditioner. Dometic 3 wire thermostat with controll kit wiring diagram for two unit installations:
Diagram Dometic Single Zone Lcd Thermostat Wiring Diagram Full Version Hd Quality Wiring Diagram Workoutdiagrams Axtem Gomes Fr from i1.wp.com Dometic 3 wire thermostat with controll kit wiring diagram for two unit installations. With this sort of an illustrative guide, you will have the ability to troubleshoot, prevent, and full your assignments without difficulty. Electronic control kit wiring diagrams. Reason i ask, is that normally they are only a 2 speed fan ( low and high) so if it's a wall thermostat. Always follow manufacturer wiring diagrams as they will supersede these. Dometic thermostat installation dometic control center 2 & other instructions. Duo therm rv trailer u0026 camper parts. Gm 4 wire alternator wiring diagram.
Need a wiring diagram for a dometic duo therm thermostat.
Dometic documents this database contains manuals for dometic, kampa, mobicool & waeco. Attach the two wires with the fork connectors under the two screws in the thermostat. A single trick that i actually use is to print exactly the same wiring plan off twice. Phases in mitosis are also divided into certain phases. Set of thermostat wires to the second unit. We find the money for dometic thermostat wiring diagram and numerous books collections from fictions to scientific research in any way. Note on thermostat wiring for communicating hvac systems. Your complete guide to dometic thermost. Thermostat measures 3 x 3 x 78 thick. Always follow manufacturer wiring diagrams as they will supersede these. This video contains 10 wiring diagrams. These files are related to dometic wiring diagram thermostat. Board uses one 3a and one.
Note on thermostat wiring for communicating hvac systems. Amazon com dometic rv air conditioner single zone lcd. Manual for dometic lcd single zone 3313189xxx. When you use your finger or stick to the circuit with your eyes, it is easy to mistrace the circuit. Jun 28, 2014 | dometic rooftop rv air conditioner.
Wiring Diagram For Dometic Rv Thermostat Thermostat Thermostat Wiring Rv from i.pinimg.com Amazon com dometic rv air conditioner single zone lcd. Supervision is needed by a licensed hvacr tech while doing this as experience and apprenticeship garners wisdom and safety. We find the money for dometic thermostat wiring diagram and numerous books collections from fictions to scientific research in any way. Note on thermostat wiring for communicating hvac systems. When you use your finger or stick to the circuit with your eyes, it is easy to mistrace the circuit. Dometic corporation reserves the right to modify appearances and. Furnace blower wiring diagram thermostat. Click on the image to enlarge, and then save it to your computer by right clicking on the image.
Always follow manufacturer wiring diagrams as they will supersede these.
We find the money for dometic thermostat wiring diagram and numerous books collections from fictions to scientific research in any way. Opposite end of the romex lead. 44 unique 2 wire thermostat installation. Coleman mach rooftop unit wiring get rid of wiring diagram. Dometic documents this database contains manuals for dometic, kampa, mobicool & waeco. Thermostat measures 3 x 3 x 78 thick. This information is designed to help you understand the function of the thermostat to assist you when installing a new one, or replacing or. The dometic single zone liquid crystal displayszlcd pns 3313189xxx are not backwa. Dometic thermostat installation dometic control center 2 & other instructions. We manage to pay for you this proper as well as simple pretension to get those all. Your complete guide to dometic thermost. Dometic rv thermostat wiring diagram wiring diagram mesmerizing. Rv thermostat wiring diagram with conversion for home thermostat.
Арсенал Цска - «Арсенал» — ЦСКА: почему не назначен пенальти в ворота ... / В активе ивицы олича на посту главного тренера армейцев. . Начиная с 2019 года — 3 победы «арсенала»» и 2 победы цска. В активе ивицы олича на посту главного тренера армейцев. «арсенал» в меньшинстве уступил цска в 1/4 финала бетсити кубка россии. «арсенал» — цска — 2:0. Победный мяч в концовке встречи забил мариу фернандес. Победный мяч в концовке встречи забил мариу фернандес. Начиная с 2019 года — 3 победы «арсенала»» и 2 победы цска. Московский цска одержал волевую победу над тульским «арсеналом» и стал последним полуфиналистом кубка россии. В активе ивицы олича на посту главного тренера армейцев. Цска во всех этих матчах возглавлял виктор ганчаренко. Арсенал - ЦСКА. Луценко бьет из пределов штрафной from s-cdn.sportbox.ru 8 апреля 2021, 16:30 не начался. Начиная с 2019 го...
Two Types Of Relays - General Purpose Relays Classifications Technical Guide India Omron Ia : In an attracted armature type relay operation depends on the movement of an armature under the influence of attractive force due to magnetic field set up by the current flowing through the relay. . In an attracted armature type relay operation depends on the movement of an armature under the influence of attractive force due to magnetic field set up by the current flowing through the relay. The force expression for such a. Over current relay operates only when the value of the current is greater than the relay setting time. Types, working and difference between them. This type of relay has been given more importance on its sensitivity. Induction cup type the relay is actuated when the direction of the current is reversed ur the phase of the current becomes more than the predetermined calve. This type of relay has been given more importance on its sensitivity. We will divide ...
John Deere L130 Wiring Diagram / John Deere 826 Snowblower Parts Diagram | Automotive Parts ... - New john deere wiring harness, part number gy21127. . John deere lawn mowers operator's manual pdf. It fits model l120, l130, 145, 155c, 190c, la130, la140, la150 replaced wiring harness after clutch strap sheered off tearing up the wires. John deere 130, 160, 165, 175, 180, 185 lawn tractors technical manual (tm1351). New john deere wiring harness, part number gy21127. I have a 2007 790 and i believe the wiring is exactly the same. It fits model l120, l130, 145, 155c, 190c, la130, la140, la150 replaced wiring harness after clutch strap sheered off tearing up the wires. Inspect the solenoid coil wires above the fan drive piston housing. Hooked up loose wire and know the mowing deck will not turn on unless you are not sitting on the seat. Short circuit or open circuit in the top output circuit 1 of the fan drive. Product identification number (serial number) is locate...
Komentar
Posting Komentar