Rv Battery Isolator Wiring Diagram - Jamies 12 Volt Camper Wiring Diagrams : Whether you need a dual battery wiring kit, isolator, or relay, we stock a range of caravan and camping battery accessories to suit your needs.
Dapatkan link
Facebook
X
Pinterest
Email
Aplikasi Lainnya
Rv Battery Isolator Wiring Diagram - Jamies 12 Volt Camper Wiring Diagrams : Whether you need a dual battery wiring kit, isolator, or relay, we stock a range of caravan and camping battery accessories to suit your needs.. Get all your electrical needs here at rvpartscountry.com with our huge selection of rv isolators. Interactive & comprehensive electrical wiring diagram for diy camper van conversion. Solenoid type isolators the simplest battery isolator is nothing more than an electromechanical relay. 827 isolator wiring diagram products are offered for sale by suppliers on alibaba.com, of which capacitors accounts for 1%, flood lights accounts for 1%, and valves accounts for 1%. This plastic box arrived with absolutely no information or instructions.
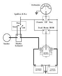
The positives are separated by the selector switch. How to wire batteries in series: New boat battery isolator switch wiring diagram through the thousands of photos on line with regards to boat battery isolator switch wiring diagram picks the very best collections together with best image resolution just for you. I stole this diagram and hope its correct. Solenoid type isolators the simplest battery isolator is nothing more than an electromechanical relay.
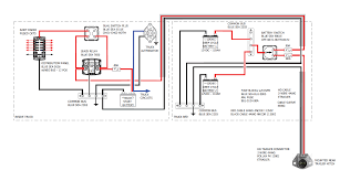
Wiring Guides Redarc from cdn.shopify.com The solenoid doesn't use any power in itself. Therefore negatives (or negative earths) can be commoned and left. Rv converters, inverter / chargers and engine alternators all charge rv and marine batteries differently, and this post explains how. The diode type battery isolator uses semiconductor diodes to split the current from the alternator or generator and charge 2 or more batteries at the cons: We carry everything you need to keep your batteries and electrical problems to a minimum. The make and model number of alternator is required. Adding a smart battery isolator will let you charge your batteries from your van's engine. They are also a good choice for making repairs.
827 isolator wiring diagram products are offered for sale by suppliers on alibaba.com, of which capacitors accounts for 1%, flood lights accounts for 1%, and valves accounts for 1%.
How to wire batteries in series: The positives are separated by the selector switch. Wiring a battery isolator | doityourself whether it is a fuel line replacement or wiring a battery isolator, you can related searches for battery isolator schematic marine battery isolator wiring diagramhow to wire battery isolatordual battery isolator wiring diagrambattery isolator diagramrv. Learn to wire chargers & isolators! The battery isolator should be mounted securely with unpainted screws/bolts to provide good electrical contact with the chassis. Each component should be placed and linked to other parts in particular way…. They are also a good choice for making repairs. New boat battery isolator switch wiring diagram through the thousands of photos on line with regards to boat battery isolator switch wiring diagram picks the very best collections together with best image resolution just for you. This could be complex in a modern vehicle. Download rv battery isolator wiring diagram for free. A wide variety of isolator wiring diagram options are available to you, such as power. Some components (bus bars, cables, switch, fuses,etc.) in this diagram are cheaper (and smaller) because you simply prefer an inverter/charger (victron) instead of a separate inverter & battery charger. We carry everything you need to keep your batteries and electrical problems to a minimum.
A wiring diagram is a simple visual representation of the physical connections and physical layout of an electrical system or circuit. Recreational vehicles, or rvs, are equipped with battery isolators, which must function both when the engine is operating and when it is not. Download rv battery isolator wiring diagram for free. The isolator is wired in between the alternator and the starter battery. Make sure you get the right amps to fix your rv isolator problems today.
Motorhome Battery Isolator Wiring Diagram Usb Sata Data Cable Wiring Diagram Tda2050 Tukune Jeanjaures37 Fr from static-cdn.imageservice.cloud You can also choose from. A wiring diagram is a simple visual representation of the physical connections and physical layout of an electrical system or circuit. How to wire batteries in series: The positives are separated by the selector switch. A wide variety of isolator wiring diagram options are available to you, such as power. 827 isolator wiring diagram products are offered for sale by suppliers on alibaba.com, of which capacitors accounts for 1%, flood lights accounts for 1%, and valves accounts for 1%. Connecting batteries in series adds the voltage of the two batteries if it helps, make a diagram of your battery banks before attempting to construct them. I stole this diagram and hope its correct.
Wiring diagram for a sterling power temperature sensor.
For some newer vehicles, a she has traveled through 48 us states and writes about van life, camping and rv living. View our range of battery isolators and relays, to use various batteries independently from each other such as accessory batteries and starter batteries. Make sure you get the right amps to fix your rv isolator problems today. Battery isolator systems allow you to charge the secondary batteries in your van when the motor is running. Adding a smart battery isolator will let you charge your batteries from your van's engine. Battery isolator xr automobile accessories pdf manual download. I stole this diagram and hope its correct. Zoostliss battery kill switch isolator disconnect cut off power for vehicles marine car boat rv atv. This plastic box arrived with absolutely no information or instructions. Whether it is a fuel line replacement or wiring a battery isolator, you can accomplish many seemingly tough jobs on your own. May require some wiring changes — you need to separate starter/ignition from accessory wiring. The positives are separated by the selector switch. The diode type battery isolator uses semiconductor diodes to split the current from the alternator or generator and charge 2 or more batteries at the cons:
Learn to wire chargers & isolators! Our comprehensive guide will show you how to get the job done in no time. We carry everything you need to keep your batteries and electrical problems to a minimum. The positives are separated by the selector switch. They are also a good choice for making repairs.
Auxiliary Battery Charging System Weekender Van Life from thesidewaysmovement.com Battery isolator systems allow you to charge the secondary batteries in your van when the motor is running. The make and model number of alternator is required. Rv converters, inverter / chargers and engine alternators all charge rv and marine batteries differently, and this post explains how. May require some wiring changes — you need to separate starter/ignition from accessory wiring. A wide variety of isolator wiring diagram options are available to you, such as power. Learn to wire chargers & isolators! For some newer vehicles, a she has traveled through 48 us states and writes about van life, camping and rv living. View our range of battery isolators and relays, to use various batteries independently from each other such as accessory batteries and starter batteries.
Wiring diagram for a sterling power temperature sensor.
Wiring a battery isolator | doityourself whether it is a fuel line replacement or wiring a battery isolator, you can related searches for battery isolator schematic marine battery isolator wiring diagramhow to wire battery isolatordual battery isolator wiring diagrambattery isolator diagramrv. How to wire batteries in series: Download rv battery isolator wiring diagram for free. Therefore negatives (or negative earths) can be commoned and left. May require some wiring changes — you need to separate starter/ignition from accessory wiring. Connecting batteries in series adds the voltage of the two batteries if it helps, make a diagram of your battery banks before attempting to construct them. I have no idea how to wire up. If you find yourself in need of a battery isolator wiring, here are a few tools and materials needed, as well as steps that can help to guide you. It shows how a electrical wires are use wiring diagrams to assistance with building or manufacturing the circuit or computer. Diy camper solar wiring diagrams. Solenoid type isolators the simplest battery isolator is nothing more than an electromechanical relay. Each component should be placed and linked to other parts in particular way…. A wide variety of isolator wiring diagram options are available to you, such as power.
Арсенал Цска - «Арсенал» — ЦСКА: почему не назначен пенальти в ворота ... / В активе ивицы олича на посту главного тренера армейцев. . Начиная с 2019 года — 3 победы «арсенала»» и 2 победы цска. В активе ивицы олича на посту главного тренера армейцев. «арсенал» в меньшинстве уступил цска в 1/4 финала бетсити кубка россии. «арсенал» — цска — 2:0. Победный мяч в концовке встречи забил мариу фернандес. Победный мяч в концовке встречи забил мариу фернандес. Начиная с 2019 года — 3 победы «арсенала»» и 2 победы цска. Московский цска одержал волевую победу над тульским «арсеналом» и стал последним полуфиналистом кубка россии. В активе ивицы олича на посту главного тренера армейцев. Цска во всех этих матчах возглавлял виктор ганчаренко. Арсенал - ЦСКА. Луценко бьет из пределов штрафной from s-cdn.sportbox.ru 8 апреля 2021, 16:30 не начался. Начиная с 2019 го...
Two Types Of Relays - General Purpose Relays Classifications Technical Guide India Omron Ia : In an attracted armature type relay operation depends on the movement of an armature under the influence of attractive force due to magnetic field set up by the current flowing through the relay. . In an attracted armature type relay operation depends on the movement of an armature under the influence of attractive force due to magnetic field set up by the current flowing through the relay. The force expression for such a. Over current relay operates only when the value of the current is greater than the relay setting time. Types, working and difference between them. This type of relay has been given more importance on its sensitivity. Induction cup type the relay is actuated when the direction of the current is reversed ur the phase of the current becomes more than the predetermined calve. This type of relay has been given more importance on its sensitivity. We will divide ...
John Deere L130 Wiring Diagram / John Deere 826 Snowblower Parts Diagram | Automotive Parts ... - New john deere wiring harness, part number gy21127. . John deere lawn mowers operator's manual pdf. It fits model l120, l130, 145, 155c, 190c, la130, la140, la150 replaced wiring harness after clutch strap sheered off tearing up the wires. John deere 130, 160, 165, 175, 180, 185 lawn tractors technical manual (tm1351). New john deere wiring harness, part number gy21127. I have a 2007 790 and i believe the wiring is exactly the same. It fits model l120, l130, 145, 155c, 190c, la130, la140, la150 replaced wiring harness after clutch strap sheered off tearing up the wires. Inspect the solenoid coil wires above the fan drive piston housing. Hooked up loose wire and know the mowing deck will not turn on unless you are not sitting on the seat. Short circuit or open circuit in the top output circuit 1 of the fan drive. Product identification number (serial number) is locate...
Komentar
Posting Komentar