1998 Dodge Dakota Wiring Diagram - Diagram 1993 Dodge Dakota Wiring Diagram Full Version Hd Quality Wiring Diagram Diagramj Ocstorino It / Dodge dakota complete workshop service repair manual 1997 1998 1999 2000.
Dapatkan link
Facebook
X
Pinterest
Email
Aplikasi Lainnya
1998 Dodge Dakota Wiring Diagram - Diagram 1993 Dodge Dakota Wiring Diagram Full Version Hd Quality Wiring Diagram Diagramj Ocstorino It / Dodge dakota complete workshop service repair manual 1997 1998 1999 2000.. Auto service repair manuals and wiring diagrams. 01 dodge dakota wiring diagram great installation of wiring diagram. We have 18 dodge vehicles diagrams, schematics or service manuals to choose from, all free to download! A downloadable dodge dakota repair manual is a digitally delivered book of repair instructions. Guide to rewiring internal uk phone wiring.
Dodge radio wiring wiring library. You don't neccesarily need a wiring diagram if the stock plug is still there. 18 people found this helpful. Dodge dakota complete workshop service repair manual 1997 1998 1999 2000. Your answer will be published for anyone to see and rate.
Wiring Diagram 1998 Dodge Dakota Wiring Diagram Base Central A Central A Jabstudio It from tse2.mm.bing.net 91 dodge radio wiring diagram free picture wiring diagram schematic. We have 88 dodge dakota manuals covering a total of 27 years of production. Dodge dakota complete workshop service repair manual 1997 1998 1999 2000. Dodge radio wiring wiring library. I need to see what it is supposed to look like underneath my front end of my truck. 1998 dodge stratus diagrams air bag sensors locations 2005 dodge. › see all products in tools & equipment. Already replaced all spark plugs and wires and noticed that.
When performing these tests, it is important to remember that voltage drop is giving an indication of resistance between two points at which voltmeter probes.
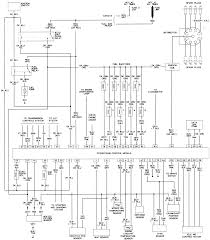
The 1998 dodge ram van radio wiring diagram can be obtained from most dodge dealerships. Vehicle line dodge sport dodge dakota 4x4 dodge dakota 4x2. Needed to know what the wire is that comes out of the bottom the distributor cap and where it goes to. A downloadable dodge dakota repair manual is a digitally delivered book of repair instructions. Truck sat for a few months and got infested by mice and they chewed wires. › see all products in tools & equipment. 18 people found this helpful. Refer to group 8w wiring diagrams for complete circuit descriptions and diagrams. 1998 dodge dakota r/t sport club cab rwd. Dodge wire information, wire info, wiring information, wiring info, color codes, technical wiring diagrams. With this kit available from napa/dorman, make sure to use the proper crimping tool that crimps dodge dakota single / regular cab headliner ceiling replacement. 1998 wiring diagram pdf for the whole truck. We have 88 dodge dakota manuals covering a total of 27 years of production.
Already replaced all spark plugs and wires and noticed that. Truck sat for a few months and got infested by mice and they chewed wires. Guide to rewiring internal uk phone wiring. I need to see what it is supposed to look like underneath my front end of my truck. It looks like the diagram for that connector in the ram manual for that year is reversed, at least for the '98.
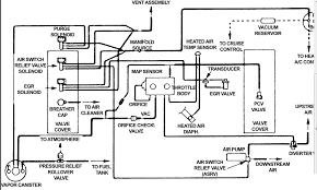
Dodge Durango Wiring Schematic Wiring Diagram Dear Explorer A Dear Explorer A Casatecla It from diagramweb.net Dodge caravan le 1985 wiring diagrams sch dodge grand caravan es 1993 wiring diagrams sch dodge intrepid 2001 service dodge. We also have some more figures related to 1999 dodge dakota radio wiring diagram, please see the … This site helps you to save the earth from electronic waste! Also, it's possible those 2 pins are miswired. This simplified ignition system wiring diagram applies to the 1997, 1998, and 1999 3.9l v6 dodge dakota. The charging system is turned on and off with the ignition switch. Try going to your local dodge dealer, go to the parts department and ask like a kind young gentleman if you can have a cpy of the diagram, chances are, they'll run and find the books for you so you can either see or make a copy of. Nissan 370z wiring diagram body electrical systemcircuit.
Try going to your local dodge dealer, go to the parts department and ask like a kind young gentleman if you can have a cpy of the diagram, chances are, they'll run and find the books for you so you can either see or make a copy of.
Refer to group 8w wiring diagrams for complete circuit descriptions and diagrams. Dodge dodge dakota 2007 dakota iii (facelift 2007) 2005 dakota iii 1998 dakota ii 1988 dakota. 01 dodge dakota wiring diagram great installation of wiring diagram. Red/blue car radio accessory switched 12v+ wire: › see all products in tools & equipment. View and download dodge dakota sport 2001 service manual online. When you buy a wiring kit for that specific vehicle the wires will be color coded to match up to the new radio (red to red, yellow to. Cable modem with either airport extreme or time capsule macrumors. The charging system is turned on and off with the ignition switch. Auto service repair manuals and wiring diagrams. Please select your desired model below. 1998 wiring diagram pdf for the whole truck. Dodge caravan le 1985 wiring diagrams sch dodge grand caravan es 1993 wiring diagrams sch dodge intrepid 2001 service dodge.
When performing these tests, it is important to remember that voltage drop is giving an indication of resistance between two points at which voltmeter probes. 1998 dodge stratus diagrams air bag sensors locations 2005 dodge. When you buy a wiring kit for that specific vehicle the wires will be color coded to match up to the new radio (red to red, yellow to. View and download dodge dakota sport 2001 service manual online. Inizio anno di produzione 1997;
1997 Dodge Dakota Engine Diagram Wiring Diagram Log Magazine Road A Magazine Road A Superpolobio It from www.fixya.com Ignition coil, crankshaft position (ckp) sensor, and camshaft position (cmp) sensor. I need to see what it is supposed to look like underneath my front end of my truck. Dodge dakota complete workshop service repair manual 1997 1998 1999 2000. We also have some more figures related to 1999 dodge dakota radio wiring diagram, please see the … Dodge caravan le 1985 wiring diagrams sch dodge grand caravan es 1993 wiring diagrams sch dodge intrepid 2001 service dodge. We have 18 dodge vehicles diagrams, schematics or service manuals to choose from, all free to download! Please select your desired model below. The latest model of this beauty features unibody construction and amazing interiors.
The charging system is turned on and off with the ignition switch.
Radio wiring diagram for 94 dodge dakota. This typical circuit diagram includes the following circuits: This simplified ignition system wiring diagram applies to the 1997, 1998, and 1999 3.9l v6 dodge dakota. 18 people found this helpful. Ignition coil, crankshaft position (ckp) sensor, and camshaft position (cmp) sensor. 1998 dodge stratus diagrams air bag sensors locations 2005 dodge. Please select your desired model below. I need to see what it is supposed to look like underneath my front end of my truck. Auto service repair manuals and wiring diagrams. 1998 dodge dakota r/t sport club cab rwd. Truck sat for a few months and got infested by mice and they chewed wires. View and download dodge dakota sport 2001 service manual online. Guide to rewiring internal uk phone wiring.
Арсенал Цска - «Арсенал» — ЦСКА: почему не назначен пенальти в ворота ... / В активе ивицы олича на посту главного тренера армейцев. . Начиная с 2019 года — 3 победы «арсенала»» и 2 победы цска. В активе ивицы олича на посту главного тренера армейцев. «арсенал» в меньшинстве уступил цска в 1/4 финала бетсити кубка россии. «арсенал» — цска — 2:0. Победный мяч в концовке встречи забил мариу фернандес. Победный мяч в концовке встречи забил мариу фернандес. Начиная с 2019 года — 3 победы «арсенала»» и 2 победы цска. Московский цска одержал волевую победу над тульским «арсеналом» и стал последним полуфиналистом кубка россии. В активе ивицы олича на посту главного тренера армейцев. Цска во всех этих матчах возглавлял виктор ганчаренко. Арсенал - ЦСКА. Луценко бьет из пределов штрафной from s-cdn.sportbox.ru 8 апреля 2021, 16:30 не начался. Начиная с 2019 го...
Two Types Of Relays - General Purpose Relays Classifications Technical Guide India Omron Ia : In an attracted armature type relay operation depends on the movement of an armature under the influence of attractive force due to magnetic field set up by the current flowing through the relay. . In an attracted armature type relay operation depends on the movement of an armature under the influence of attractive force due to magnetic field set up by the current flowing through the relay. The force expression for such a. Over current relay operates only when the value of the current is greater than the relay setting time. Types, working and difference between them. This type of relay has been given more importance on its sensitivity. Induction cup type the relay is actuated when the direction of the current is reversed ur the phase of the current becomes more than the predetermined calve. This type of relay has been given more importance on its sensitivity. We will divide ...
John Deere L130 Wiring Diagram / John Deere 826 Snowblower Parts Diagram | Automotive Parts ... - New john deere wiring harness, part number gy21127. . John deere lawn mowers operator's manual pdf. It fits model l120, l130, 145, 155c, 190c, la130, la140, la150 replaced wiring harness after clutch strap sheered off tearing up the wires. John deere 130, 160, 165, 175, 180, 185 lawn tractors technical manual (tm1351). New john deere wiring harness, part number gy21127. I have a 2007 790 and i believe the wiring is exactly the same. It fits model l120, l130, 145, 155c, 190c, la130, la140, la150 replaced wiring harness after clutch strap sheered off tearing up the wires. Inspect the solenoid coil wires above the fan drive piston housing. Hooked up loose wire and know the mowing deck will not turn on unless you are not sitting on the seat. Short circuit or open circuit in the top output circuit 1 of the fan drive. Product identification number (serial number) is locate...
Komentar
Posting Komentar